¿Necesita las especificaciones completas?
Descargue nuestro Catálogo de productos 2025 para obtener planos detallados y parámetros técnicos de todos los componentes de los equipos de conmutación.
Obtener catálogo
Descargue nuestro Catálogo de productos 2025 para obtener planos detallados y parámetros técnicos de todos los componentes de los equipos de conmutación.
Obtener catálogo
Descargue nuestro Catálogo de productos 2025 para obtener planos detallados y parámetros técnicos de todos los componentes de los equipos de conmutación.
Obtener catálogo

En el mundo de la distribución de energía industrial, el contactor de vacío es el caballo de batalla silencioso. A diferencia de los disyuntores, que protegen contra fallos catastróficos, los contactores son corredores de maratón, diseñados para conmutar motores, transformadores y bancos de condensadores cientos de miles de veces. Sin embargo, la fiabilidad de un contactor de vacío depende de su instalación.

En XBRELE, diseñamos nuestro Serie de contactores de vacío para soportar las duras condiciones de la minería, la metalurgia y la industria pesada. Sin embargo, en nuestras décadas de apoyo a los fabricantes de paneles y los gestores de instalaciones, hemos observado que el 80% de los fallos en los equipos, desde contactos soldados hasta bobinas quemadas, no se deben a defectos de fabricación, sino a una instalación incorrecta o a errores de cableado.
This guide is not just a manual; it is a deep dive into the engineering principles of installing a vacuum contactor properly. Whether you are retrofitting a 12kV pump station or configuring a low-voltage mining panel, this 2026 update covers the critical details often missing from standard datasheets.
Antes de desembalar su unidad XBRELE, es fundamental comprender la tecnología que contiene. Un contactor de vacío no solo “abre” un circuito, sino que extingue un arco eléctrico en un microambiente sin aire.
Dentro de la “botella” cerámica (el interruptor de vacío), los contactos se separan y el arco se ve obligado a extinguirse en el primer paso por cero de la corriente. Al no haber aire que ionizar, la rigidez dieléctrica se recupera casi instantáneamente. Esto permite un diseño compacto, pero plantea retos específicos de instalación:

Para comprender los mecanismos internos que dictan cómo se deben manejar estos dispositivos, lea nuestro análisis técnico: ¿Cómo extingue el arco un contactor de vacío? Dentro del interruptor de vacío.
Un contactor de vacío instalado en una sala de servidores limpia tiene una vida útil diferente a la de uno instalado en una mina de carbón. Debe adaptar el entorno de instalación a las capacidades del dispositivo.
Si su instalación se encuentra a más de 1000 metros (3300 pies) de altitud, las normas estándar de aislamiento del aire cambian. Aunque el vacío dentro de la botella no se ve afectado por la altitud, el aislamiento del aire externo (distancia de fuga entre terminales) se debilita a medida que el aire se vuelve más fino.
ADVERTENCIA: Probablemente esté trabajando con media tensión (MT) o alta tensión (AT). Los riesgos de arco eléctrico son mortales.
El impacto mecánico que produce el cierre de un contactor de vacío es considerable, ya que actúa como un martillo solenoide.
Al conectar los cables de alimentación (L1/L2/L3 y T1/T2/T3), utilice una llave dinamométrica calibrada.
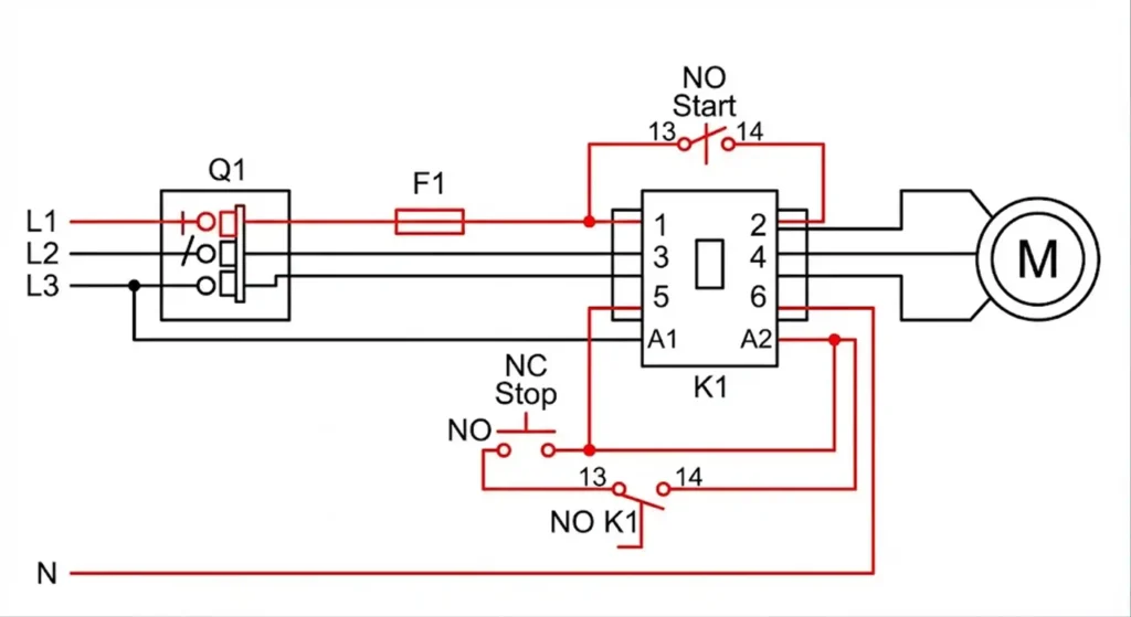
Aquí es donde se hace evidente la diferencia entre un “cambiador de piezas” y un “ingeniero de sistemas”. El cableado de la lógica de control requiere comprensión. Autosujeción y Enclavamiento.

Los contactores de vacío funcionan mediante una bobina electromagnética. Dado que el botón de inicio es momentáneo (se reinicia al soltarlo), se necesita un circuito de “enclavamiento”.
Si utiliza dos contactores para invertir un motor, debe evitar que se cierren simultáneamente (un cortocircuito fase a fase).
Nota del ingeniero: ¿No sabe si necesita un interruptor de vacío (VCB) o un contactor para su panel específico? Lea nuestra comparación:Contactor de vacío frente a interruptor de vacío.
Actualizado para 2026: Este artículo mantiene el marco técnico original y actualiza la redacción específica de cada año para su uso actual como referencia en materia de adquisiciones, especificaciones y mantenimiento.
Uno de los aspectos más ignorados de la instalación es el manejo de la sobretensión.
Debido a que los interruptores de vacío extinguen los arcos tan rápidamente (a menudo cortando la corriente antes del punto cero natural), la energía magnética almacenada en los devanados del motor no tiene dónde ir. Esto crea un pico de tensión masivo (tensión de recuperación transitoria) que puede perforar el aislamiento del motor.

La solución:
Para cargas inductivas (motores/transformadores), debe instalar un dispositivo de supresión de sobretensiones (RC Snubber o varistor de óxido de zinc).
No active todavía las líneas principales de alta tensión. Siga este estricto protocolo:
Incluso con el Ventajas de los contactores de vacío, pueden surgir problemas si se descuida el medio ambiente.
| Síntoma | Causa probable | Solución experta |
| Zumbido fuerte / Traqueteo | Bajo voltaje de control o residuos en las caras de los polos magnéticos. | Compruebe la capacidad del transformador de control. Limpie las superficies de los imanes (óxido/polvo). |
| Quema de bobina | Fallo de la resistencia del economizador o aplicación de un voltaje incorrecto. | Compruebe si el contactor ha cambiado del modo “Pull-in” al modo “Hold-in”. Compruebe la potencia nominal de la bobina. |
| Tripulación molesta | Vibración o contactos auxiliares sueltos. | Apriete todos los terminales de control. Asegúrese de que el panel esté montado sobre soportes antivibratorios si se encuentra cerca de maquinaria pesada. |
| Alta resistencia de contacto | Desgaste por contacto o conexión suelta de la barra colectora. | Vuelva a apretar los tornillos de los terminales principales. Compruebe la marca indicadora del desgaste de los contactos. |
Aprendizaje Cómo instalar correctamente un contactor de vacío Se trata de respetar las fuerzas en juego. Estás controlando enormes cantidades de energía con un dispositivo que depende de un espacio de vacío más pequeño que una moneda.
En XBRELE, probamos cada Contactor de las series CKG y JCZ superar las normas IEC, pero una vez que sale de nuestra fábrica, su fiabilidad está en sus manos. Siguiendo estos protocolos de cableado, asegurando el par de apriete adecuado e instalando protección contra sobretensiones, se asegura de que su equipo de conmutación funcione de forma segura durante décadas.
¿Necesita un diagrama de cableado personalizado para una aplicación minera o industrial específica?
No haga conjeturas. Póngase en contacto con el equipo de ingeniería de XBRELE, su socio en soluciones de conmutación de alta tensión.
1. ¿Puedo utilizar un contactor de vacío para cargas de calefacción resistivas simples?
Sí, pero es excesivo. Los contactores de vacío destacan en tareas AC-3 y AC-4 (motores con alta corriente de arranque). Para calentadores simples, la diferencia entre un VCB y un contactor se vuelve menos relevante, y el coste se convierte en el factor determinante.
2. ¿Cómo sé cuándo hay que cambiar la botella de vacío?
No se puede ver el vacío. Sin embargo, los contactores XBRELE cuentan con una “línea de desgaste” en el aislante o el inducido. Cuando los contactos se erosionan, el mecanismo se desplaza más. Una vez que alcanza la marca, hay que sustituir la botella.
3. ¿Por qué mi contactor tiene bobinas de CC pero lo alimenta con CA?
Muchos contactores de vacío modernos utilizan un puente rectificador. Esto permite que la bobina funcione con corriente continua, que es más silenciosa y se calienta menos (sin corrientes parásitas en el núcleo), incluso si la alimentación es de 220 VCA. ¡Nunca puentee el rectificador!
Garantice una configuración segura y precisa. Esta guía experta proporciona procedimientos de instalación paso a paso, diagramas completos de cableado de circuitos de control e identificación de terminales para contactores de vacío de media tensión.
Descargar la guía de instalación